咨询热线

021-59813771
诚信为本:市场永远在变,诚信永远不变。

咨询热线

021-59813771
手机:021-59813771
电话:021-59813771
地址:上海市嘉定区安亭镇墨玉路28号嘉正国际大厦 1315室
邮箱:info@caiantrading.com

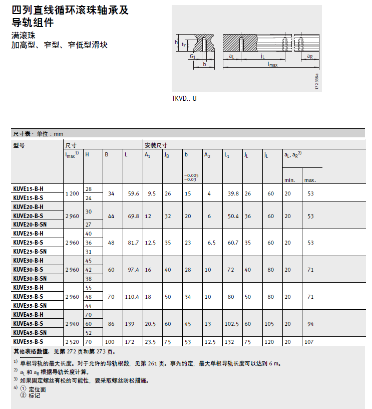
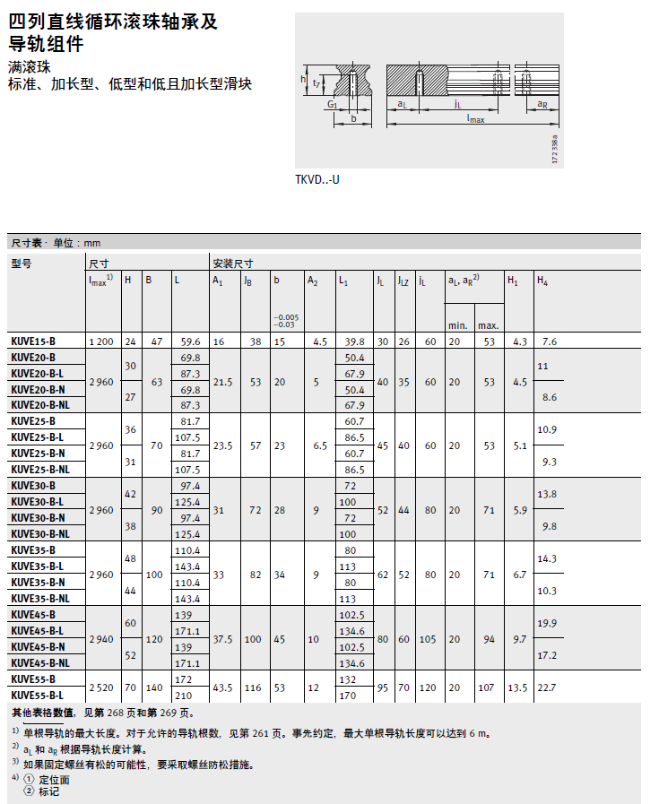
INA直线导轨